পিডিএফ এর থেকেও মাস্টার প্রশ্ন ব্যাংক & Poll Master এ রয়েছে বিশেষ সুবিধা
নিচের কোন ভাইরাসটির বহিঃস্থ আবরণ নেই?
ভিক্টোরিয়া পার্কের বর্তমান নাম কী?
কোন উদ্ভিদে ফুল ও ফল হয়না কিন্তু বীজ হয়?
মোক্ষ এর বিপরীত শব্দ কোনটি?
DDT যৌগে কতগুলো CI মূলক আছে?
কর্ডাটা পর্বের প্রাণীদের এন্ডোস্টাইল কিসে রূপান্তরিত হয়?
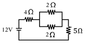
5Ω রোধের বাল্বটিতে 10 মিনিটে কত শক্তি ব্যয়িত হবে?
3 সে.মি. ব্যাসার্ধবিশিষ্ট একটি গোলক আকৃতির বল একটি ঘনক আকৃতির বাক্সে ঠিকভাবে এঁটে যায়। বাক্সটির ভেতরের আয়তন কত?
কোনটি ব্যাধিকরণ বহুব্রীহি সমাসের উদাহরণ?
দৃশ্যমান (visible) অঞ্চল কতটুকু বিস্তৃত?
স্বাভাবিক চোখের স্পষ্ট দৃষ্টির ন্যূনতম দুরত্ব কত?
কোনটি দ্বিবীজপত্রী মূলের বৈশিষ্ট্য নয়?
সমাজের বিভিন্ন নিয়মকানুন মেনে চলতে হয়। কারণi. সমাজ আমাদের রক্ষা করেii. সমাজ আমাদের নিরাপত্তা দেয়iii. সবার সাথে মিলেমিশে চলার জন্যনিচের কোনটি সঠিক?
নিচের কোন পর্বের প্রাণি ইউসিলোমেট নয়?
’বেনগাজি’ শহর কোথায় অবস্থিত?
ম্যালেরিয়া পরজীবীর কোন দশায় মানুষের শরীরে জ্বর আসে?