পিডিএফ এর থেকেও মাস্টার প্রশ্ন ব্যাংক & Poll Master এ রয়েছে বিশেষ সুবিধা
কোনটির মাধ্যমে অর্থায়ন করলে এদের করের পরিমাণ কম হয়?
None but Allah can help us. What kind of pronoun "none" is-
Choose the correct spelling.
5 কুলম্বের আধান থেকে 0.5 m দূরবর্তী কোনো বিন্দুতে তড়িৎ ক্ষেত্রের তীব্রতা কত?
k এর মান কত হলে, x - y + 5 = 0, x + y - 1 = 0 এবং kz-y+13= 0 রেখায় সমবিন্দু হবে?
In the figure AD = 4, AB = 3 and CD = 9. What is the area of triangle AEC?
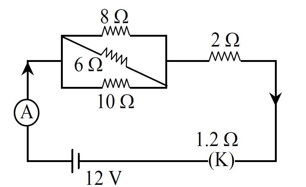
বর্তনীর তুল্য রোধ নির্ণয় কর।
6V শক্তির উৎস দ্বারা একটি বাতির মধ্য দিয়ে 0.3 A বিদ্যুৎ 2 মিনিট ধরে প্রবাহিত হলো, ঐ 2 মিনিটে বাতিটি দ্বারা শক্তি ব্যয়ের পরিমাণ কত?
'আম–কুড়ানো' কোন সমাস?
He had an urdent passion for---
’কাননে কুসুমকলি সকলি ফুটিল’ এখানে ‘কাননে’ কোন কারকে কোন বিভক্তি?
আলোর ফটোতড়িৎ ক্রিয়া ব্যাখ্যা করা যায় কোন তত্ত্বের মাধ্যমে?
কোন গ্রুপের মৌলসমূহকে নিকটোজেন বলা হয়?
আখলাকে যামিমাহ অর্থ কোনটি?
The government gave ____ the demands of the people.
সমুদ্রের পানির উচ্চতা বৃদ্ধি পেলে পানির নিচে ডুবে যাবে -i. নোয়াখালি ii. বরিশাল iii. সাতক্ষীরা নিচের কোনটি সঠিক?
সমুদ্রের পানির উচ্চতা বৃদ্ধি পেলে পানির নিচে ডুবে যাবে -
i. নোয়াখালি
ii. বরিশাল
iii. সাতক্ষীরা
নিচের কোনটি সঠিক?